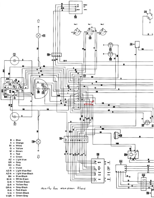
Moto Guzzi california 1000 1100 service repair manual
Do you want to become a reseller/affiliate and get 2.0% provision?
| Embed: |
|
Moto Guzzi california 1000 1100 service repair manual
moto guzzi;guzzi california
275199321
14.95
thegenius
Fresh Download
Available!
moto guzzi;guzzi california
275199321
14.95
thegenius
Fresh Download
Available!
